減速箱技術數據
| 級數 | 1 | 2 | 3 | 4 | 5 |
| 減速比 | 3.9 | 15 | 57 | 221 | 854 |
| 最大傳連續輸功率(W) | 0.63 | 0.39 | 0.2 | 0.15 | 0.04 |
| 最大瞬時傳輸功率(W) | 0.79 | 0.49 | 0.25 | 0.18 | 0.05 |
| 最大連續轉矩(Nm) | 0.002 | 0.005 | 0.01 | 0.03 | 0.03 |
| 最大瞬時轉矩(Nm) | 0.005 | 0.01 | 0.02 | 0.06 | 0.06 |
| 最高連續輸入轉速(rpm) | 40000 | 40000 | 40000 | 40000 | 40000 |
| 最高瞬時輸入轉速(rpm) | 40000 | 40000 | 40000 | 40000 | 40000 |
| 最大效率(%) | 83 | 69 | 57 | 65 | 47 |
| 空載平均空回(°) | 1.8 | 2 | 2.2 | 2.5 | 2.8 |
| 最大軸向動態載荷(N) | 5 | 5 | 5 | 5 | 5 |
| 最大徑向載荷(離法蘭4mm處)(N) | 5 | 6 | 7 | 8 | 8 |
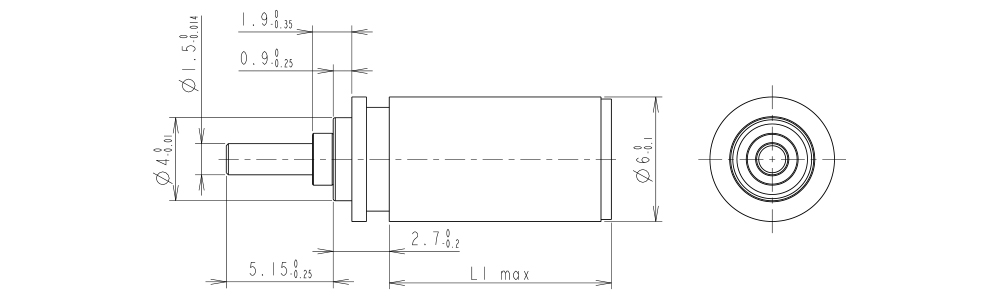
| 齒輪箱長度L1(mm) | 5.8 | 8.2 | 10.6 | 13 | 15.4 |
| 重量(G) | 1.7 | 2.1 | 2.5 | 2.9 | 3.3 |
推薦型號
| 型號 | 額定電壓 (V) |
空載數據 | 負載數據 | 總長 (mm) |
齒輪箱額定容許力矩 (NM) |
齒輪箱瞬間容許力矩 (NM) |
減速比 | 減速箱長L1 (mm) |
||||
| 空載轉速 (rpm) |
空載電流 (mA max) |
負載轉速 (rpm) |
負載電流 (mA Max) |
轉矩 (gf.cm) |
轉矩 (NM) |
|||||||
| ZWSMD006006-04 | 12 | 16437 | 150 | 12133 | 350 | 20 | 0.002 | 28.8 | 0.002 | 0.005 | 3.9 | 5.8 |
| ZWSMD006006-15 | 12 | 4261 | 150 | 3146 | 355 | 50 | 0.005 | 31.2 | 0.005 | 0.01 | 14.9 | 8.2 |
| ZWSMD006006-57 | 12 | 1105 | 160 | 816 | 360 | 100 | 0.010 | 33.6 | 0.01 | 0.02 | 57.4 | 10.6 |
| ZWSMD006006-221 | 12 | 286 | 170 | 211 | 365 | 300 | 0.03 | 36 | 0.03 | 0.06 | 221.3 | 13 |
| ZWSMD006006-854 | 12 | 74 | 180 | 55 | 370 | 300 | 0.03 | 38.4 | 0.03 | 0.06 | 853.7 | 15.4 |
設計圖紙

















查看詳情


Φ6mm 行星減速箱(SMD版)規格書
