22mm高性能電機(43)
產品型號:ZWSMD022022-43
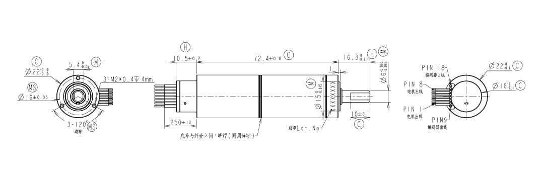
外直徑(mm):22
總長度(mm):72.4±0.8
減速比:43:1
額定電壓(VDC):24
空載轉速(RPM):163±15%
空載電流(mA MAX.REF):90
額定負載力矩(N.M):0.55
額定負載轉速(RPM):126±15%
額定負載電流(mA MAX.REF):750
堵轉力矩(N.M MIN):2.1
噪音:-穩定后不超出48dB(側面30CM,無防風罩測試)
空載回程差(°MAX):0.5
| 電機出線PIN腳定義 | ||
| PIN 1 | 繞組C | 黃色 |
| PIN 2 | 繞組B | 橙色 |
| PIN 3 | 繞組A | 褐色 |
| PIN 4 | GND | 黑色 |
| PIN 5 | 霍爾傳感器A | 綠色 |
| PIN 6 | 霍爾傳感器A | 灰色 |
| PIN 7 | 霍爾傳感器A | 藍色 |
| PIN 8 | Udd(+5V) | 紅色 |
| 編碼器出線PIN腳定義 | |
| PIN 9 | 不連接 |
| PIN 10 | Vcc |
| PIN 11 | 接地 |
| PIN 12 | 不連接 |
| PIN 13 | 通道A- |
| PIN 14 | 通道A |
| PIN 15 | 通道B- |
| PIN 16 | 通道B |
| PIN 17 | 通道Z- |
| PIN 18 | 通道Z |
| 電機參數 | |
| 電機型號 | SM022022-F01無刷空心杯馬達 |
| 額定電壓(V DC) | 24 |
| 空載轉速(RPM) | 7100±10% |
| 空載電流(mA REF) | 100 |
| 額定負載力矩(G.CM) | 155 |
| 額定負載轉速(RPM) | 5500±10% |
| 額定負載電流(A MAX) | 0.68 |
| 堵轉電流(A MAX) | 2.5 |
| 堵轉力矩(G.CM MIN) | 660 |
| 編碼器參數 | |
| 編碼器型號 | SM022022-P01 |
| 每圈計數 | 支持1~1024脈沖/圈 |
| 通道數 | 2~3 |
| 最高轉速(轉/分鐘) | 55000 |
| 工作電壓(V) | 3.3~5 |
| 工作電流(mA) | 10 |
| 運行溫度范圍(℃) | -40~125 |
設計圖紙
















22mm高性能電機(43)規格書
